Načítavam, čakajte prosím ...
Ochrana pred bleskom a s ním súvisiacim nebezpečenstvom požiaru

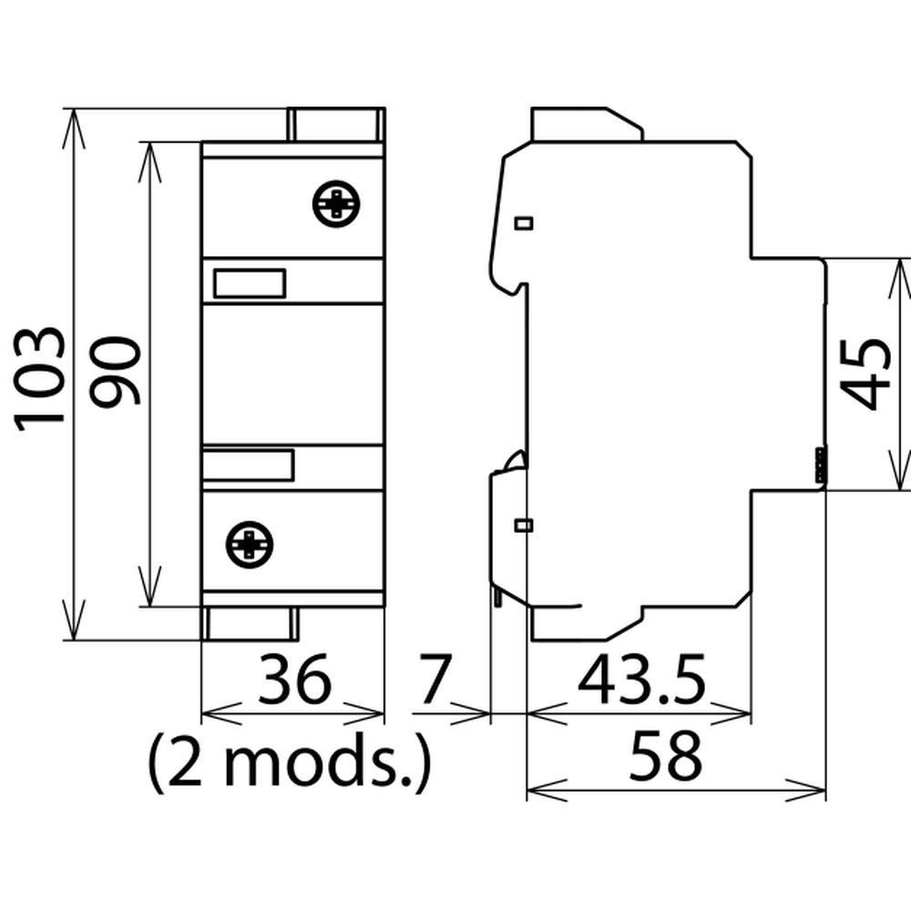
Zvodič prepätia DEHNguard

1-pólový, Uc 1000V AC

123,98 € s DPH
Na objednávku
Kód: 950102
Doba odozvy: ≤ 25
Dočasné prepätie (TOV) (UT) – Charakteristika: 1580 V / 120 min. – safe failure
Energetická koordinácia s koncovým zariadením (≤ 10 m): type 2 + type 3
Indikácia prevádzkového stavu / poruchy: green / red
Kapacita: 2
Materiál krytu: thermoplastic, red, UL 94 V-0
Max. nadprúdová ochrana: 100
Max. nadprúdová ochrana pri U ≤ 690 V ac: 125
Max. trvalé prevádzkové napätie (AC): 1000 V (50 / 60 Hz)
Max. trvalé prevádzkové napätie (dc): 1000
Max. vybíjací prúd (8/20 µs): 30
Menovité napätie (AC): 830 V (50 / 60 Hz)
Miesto inštalácie: indoor installation
Nominálny vybíjací prúd (8/20 µs): 15
Plocha prierezu (max.): 35 mm2 stranded / 25 mm2 flexible
Plocha prierezu (min.): 1.5 mm2 solid / flexible
Počet portov: 1
Pre montáž na: 35 mm DIN rails acc. to EN 60715
Rozsah prevádzkových teplôt: -40 °C ... +80 °C
Schválenia: UL
Skratová odolnosť max. záložná poistka: 25
SPD podľa EN 61643-11 / IEC 61643-11: type 2 / class II
Stupeň ochrany: IP 20
Úroveň ochrany napätia: ≤ 4.2
Úroveň ochrany napätia pri 5 kA: ≤ 3.5

Dokumenty na stiahnutie