Načítavam, čakajte prosím ...
Ochrana pred bleskom a s ním súvisiacim nebezpečenstvom požiaru

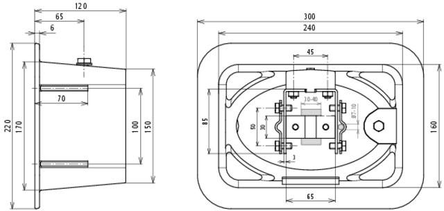
UF - krabica so skúšobnou svorkou liatinová

Pre montáž s úrovňou podlahy, pre odpojenie zvodu od uzemňovacej sústavy pri meraní. Liatinové prevedenie s vstavanou dobre prístupnou skúšobnou svorkou. Rozoberateľné pomocou kľúča. Obsahuje prepojenie pre zvod a zemné vedenie. Dole otvorená (bez dna

95,61 € s DPH / ks
ks
Na sklade 7 ks
Kód: 549001
Farba: black (varnished) ●
Materiál: GCI
Materiál skúšobného spoja: StSt
Max. prípustné zaťaženie: 40
Rozmery: 300 x 220 x 120
Rozsah upnutia Rd / Fl: 7-10 / 30-40
Štandardné: EN 62561-5
Hmotnosť: 6,1 kg

Dokumenty na stiahnutie