Načítavam, čakajte prosím ...
Ochrana pred bleskom a s ním súvisiacim nebezpečenstvom požiaru

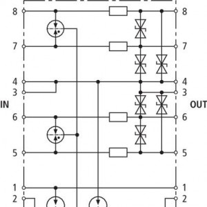
Zvodič prepätia BLITZDUCTOR VT

Zvodič prepätia so širokým využitím, napr. pre štvorvodičové symetrické rozhrania RS485/422 alebo teplotné čidlá. Možnosť priameho alebo nepriameho uzemnenia tienenia as pripojením signálovej krajiny.

160,42 € s DPH
Na objednávku
Kód: 918401
C2 Celkový menovitý vybíjací prúd (8/20 µs): 10
C2 Nominálny vybíjací prúd (8/20 µs) na vedenie: 10
D1 Bleskový impulzný prúd (10/350 µs) na vedenie: 0.8
Farba: yellow
Kapacitná linka: ≤ 5 nF
Linka medznej frekvencie: 1.7
Materiál krytu: thermoplastic, UL 94 V-0
Max. trvalé prevádzkové napätie (AC): 4.2
Max. trvalé prevádzkové napätie (dc): 6
Menovité napätie (dc): 5
Napäťová ochranná úroveň vedenia pri 1 kV/µs C3: ≤ 8.5
Nominálny prúd: 0.5
Plocha prierezu, plná: 0.08-2.5 mm2
Pre montáž na: 35 mm DIN rails acc. to EN 60715
Prierezová plocha, flexibilná: 0.08-2.5 mm2
Pripojenie (vstup/výstup): screw / screw
Rozsah prevádzkových teplôt: -40 °C ... +80 °C
Schválenia: CSA, EAC
Sériový odpor na linku: 1.8 ohms
Skúšobné normy: IEC 61643-21 / EN 61643-21, UL 497B
Stupeň ochrany: IP 20
triedy SPD: Q
Úroveň ochrany napätia line-PG pre In C2: ≤ 700
Úroveň ochrany napätia line-PG pri 1 kV/µs C3: ≤ 600
Uťahovací moment (svorky): 0.5
Uzemnenie cez: screw terminal
Vedenie napäťovej ochrany pre In C2: ≤ 20

Dokumenty na stiahnutie